การใช้งานไมโครคอนโทรลเลอร์ในบางงานอาจจะต้องใช้พอร์ตรับสัญญาณเพื่อใช้ในการตัดสินใจทำอย่างใดอย่างหนึ่ง การที่รับสัญญาณจากภายนอกเพื่อนำเข้ามายังตัวไมโครคอนโทรลเลอร์จะต้องสร้างวงจรที่ปรับระดับสัญญาณลอจิกให้เหมาะสมกับตัวไมโครคอนโทรลเลอร์ที่สามารถรับรู้ได้ โดยให้พอร์ตทำหน้าที่เป็นอินพุทพอร์ต

การใช้งานพอร์ตให้ทำงานเป็นอินพุทพอร์ต
วงจรง่ายๆสำหรับสำหรับการรับสัญญาณภายนอก (ส่งสัญญาณเข้าตัวไมโครคอนโทรลเลอร์) คือการใช้สวิตช์กดติดปล่อยดับส่งสัญญาณลอจิก 1 และลอจิก 0 ตามการกดหรือปล่อย โดยต้องมีการจัดวงจรให้สามารถส่งลอจิกได้ต้องต่อสวิตช์กับตัวต้านทานขนาด 10 กิโลโอห์ม ดังรูป

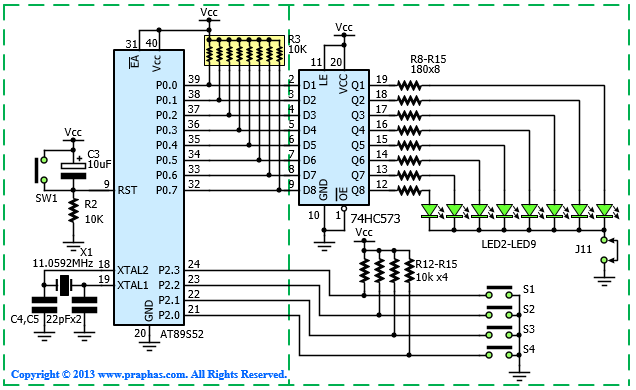
เมื่อต่อเข้ากับไมโครคอนโทรลเลอร์ (โดยใช้วงจรในการทดลองตอนที่ 3 ) จะได้ดังรูป

เมื่อใช้โปรแกรมจำลองพฤติกรรม (Simulator) จะได้ดังรูป

ตัวอย่างโปรแกรม
| include<reg52.h> sbit sw = P2^7; void main(void) { while(1) { if(sw==0) P0=0x00; else P0=0xff; } } |
ผลของโปรแกรม

วงจรที่ต่อสวิตช์ 4 ตัว
การต่อสวิตช์มากกว่า 1 ตัววิธีที่ง่ายที่สุดคือการใช้พอร์ตรับสวิตช์แยกตัวละ 1 สวิตช์ ซึ่งสามารถต่อได้ดังรูป

เมื่อต่อวงจรทดลองใน Proteus จะได้ดังรูป

แนวทางการบัดกรีวงจรสวิตช์
โดยใช้แผ่นวงจรต่อพ่วงเดิม (วงจรขับ LED 8 Bit) เพียงแต่ต่อวงจรสวิตช์เพิ่มเติม ดังรูป

เวลาใช้งานจริงทำการต่อพ่วงระหว่างวงจรไมโครคอนโทรลเลอร์กับวงจรต่อพ่วงดังรูป


รายการอุปกรณ์ (ลิงค์สั่งซื้อ) ดูได้งานหน้างานที่มอบหมาย คลิก
โปรดติดตามบทความอื่นๆในตอนต่อไป
ครูประภาส สุวรรณเพชร